Интернет-магазин представительского класса
Каталог
Композитные панели
Алюминиевые композитные панели
Стальные композитные панели
Медные композитные панели
Латунные композитные панели
Металлокассеты
Фасадные кассеты из оцинкованной стали
Профнастил
Профлист С8
Профлист НС20
Профлист С21
Профлист НС35
Профиль и системы
Профиль оцинкованный и комплектующие
Фасадные системы под композитные панели
Фасадные подсистемы
Алюминиевый профиль для соединения панелей 3 и 4 мм
Алюминиевые уголки
Алюминиевый Бокс
Кровельные материалы
Металлошифер
Металлочерепица
Прозрачный шифер
Заборы и ограждения
Газонные ограждения
Зеркальные заборы
Доборные фасонные элементы
Плоский прокат
Гладкие листы оцинкованный
Ленты оцинкованные (штрипс)
Листовые пластики
Монолитный поликарбонат
Сотовый поликарбонат
Профилированный поликарбонат
Каталоги RAL
Профили для гипсокартона
Торговые марки
Прайс-листы
Справочник
Таблица RAL
Инструкции
Техническая документация
Объекты
Наши объекты
ТЦ Гравитация
Административно - производственное здание
Офисно-деловой центр
Автосалон HYUNDAI
Апарт-отель Adagio Le Rond Sochi
ГБУЗ МО «Королевская городская больница» филиал «Первомайский»
ГБУЗ МО «Королевская городская больница» филиал «Юбилейный»
Административное здание
Акции
Услуги
Наши услуги
Проектирование фасадов
Фрезеровка композита
Вальцевание композита и металла
Лазерная резка металла
Перфорация
Порошковая покраска
Монтаж вентилируемых фасадов
Широкоформатная УФ-печать на жестких листовых и рулонных материалах
Доставка фасадных и кровельных материалов
Фрезеровка фасадных кассет из алюминиевого композитного материала
Доставка без разгрузки: Москва в пределах ТТК-МКАД (а/м до 1,5т, кузов 4,2м)
Гибка листового металла
Компания
О компании
Контакты
Новости
Сотрудники
Отзывы
Вакансии
Нам доверяют
Сертификаты
Прайс-листы
Как купить
Условия оплаты
Условия доставки
Гарантия на товар
Статьи
Хранение и перевозка АКП
Хранение металлопродукции
Рекомендации по обработке АКП
Рекомендации по обработке HPL
Ложная экономия
Реквизиты
+7 (495) 155-58-85
+7 (495) 155-58-85по Москве
+7 (909) 699-30-59Отдел продаж, бухгалтерия, снабжение
Заказать звонок
Задать вопрос
Войти
  • Корзина0
  • Избранные товары0
  • Сравнение товаров0
Ваш город
Москва
Москва
info@mosfasad.org
ул. Миклухо-Маклая, д. 18/1, пом. II, ком. 22, 23, эт. 3
  • Вконтакте
  • Instagram
  • Telegram
  • Viber
  • Viber
  • WhatsApp
Ваш город
Москва
Москва
  • Акции
  • Услуги
  • Блог
  • Проекты
  • Как купить
  • Компания
  • Доставка
  • Гарантия и возврат
  • Контакты
  • ...
    Войти
    +7 (495) 155-58-85
    +7 (495) 155-58-85по Москве
    +7 (909) 699-30-59Отдел продаж, бухгалтерия, снабжение
    Заказать звонок
    Сравнение0
    Избранные товары 0
    Корзина 0
    • Композитные панели Композитные панели
      • Алюминиевые композитные панели
      • Стальные композитные панели
      • Медные композитные панели
      • Латунные композитные панели Латунные композитные панели
      Alcotek
      Altec
      Alucobond
      Bildex
      Forma
      Goldstar (Алюминстрой)
      Grossbond
      Grosstek
      Sibalux
      Yaret
      Гранд лайн
    • Металлокассеты Металлокассеты
      • Фасадные кассеты из оцинкованной стали
    • Профнастил Профнастил
      • Профлист С8
      • Профлист НС20
      • Профлист С21
      • Профлист НС35
    • Профиль и системы Профиль и системы
      • Профиль оцинкованный и комплектующие
      • Фасадные системы под композитные панели
      • Фасадные подсистемы
      • Алюминиевый профиль для соединения панелей 3 и 4 мм Алюминиевый профиль для соединения панелей 3 и 4 мм
      • Алюминиевые уголки
      • Алюминиевый Бокс
    • Кровельные материалы Кровельные материалы
      • Металлошифер
      • Металлочерепица
      • Прозрачный шифер
    • Заборы и ограждения Заборы и ограждения
      • Газонные ограждения
      • Зеркальные заборы
    • Доборные фасонные элементы Доборные фасонные элементы
    • Плоский прокат Плоский прокат
      • Гладкие листы оцинкованный
      • Ленты оцинкованные (штрипс)
    • Листовые пластики Листовые пластики
      • Монолитный поликарбонат Монолитный поликарбонат
      • Сотовый поликарбонат Сотовый поликарбонат
      • Профилированный поликарбонат Профилированный поликарбонат
    • Каталоги RAL Каталоги RAL
    • Профили для гипсокартона Профили для гипсокартона
    Каталог
    • Композитные панели
      Композитные панели
      • Алюминиевые композитные панели
      • Стальные композитные панели
      • Медные композитные панели
      • Латунные композитные панели
    • Металлокассеты
      Металлокассеты
      • Фасадные кассеты из оцинкованной стали
    • Профнастил
      Профнастил
      • Профлист С8
      • Профлист НС20
      • Профлист С21
      • Профлист НС35
    • Профиль и системы
      Профиль и системы
      • Профиль оцинкованный и комплектующие
      • Фасадные системы под композитные панели
      • Фасадные подсистемы
      • Алюминиевый профиль для соединения панелей 3 и 4 мм
      • Алюминиевые уголки
      • Алюминиевый Бокс
    • Кровельные материалы
      Кровельные материалы
      • Металлошифер
      • Металлочерепица
      • Прозрачный шифер
    • Заборы и ограждения
      Заборы и ограждения
      • Газонные ограждения
      • Зеркальные заборы
    • Доборные фасонные элементы
      Доборные фасонные элементы
    • Плоский прокат
      Плоский прокат
      • Гладкие листы оцинкованный
      • Ленты оцинкованные (штрипс)
    • Листовые пластики
      Листовые пластики
      • Монолитный поликарбонат
      • Сотовый поликарбонат
      • Профилированный поликарбонат
    • Каталоги RAL
      Каталоги RAL
    • Профили для гипсокартона
      Профили для гипсокартона
    Торговые марки
    Прайс-листы
    Справочник
    • Таблица RAL
    • Инструкции
    • Техническая документация
    Объекты
    • Наши объекты
      • ТЦ Гравитация
      • Административно - производственное здание
      • Офисно-деловой центр
      • Автосалон HYUNDAI
      • Апарт-отель Adagio Le Rond Sochi
      • ГБУЗ МО «Королевская городская больница» филиал «Первомайский»
      • ГБУЗ МО «Королевская городская больница» филиал «Юбилейный»
      • Административное здание
    Акции
    Услуги
    • Наши услуги
      • Проектирование фасадов
      • Фрезеровка композита
      • Вальцевание композита и металла
      • Лазерная резка металла
      • Перфорация
      • Порошковая покраска
      • Монтаж вентилируемых фасадов
      • Широкоформатная УФ-печать на жестких листовых и рулонных материалах
      • Доставка фасадных и кровельных материалов
      • Фрезеровка фасадных кассет из алюминиевого композитного материала
      • Доставка без разгрузки: Москва в пределах ТТК-МКАД (а/м до 1,5т, кузов 4,2м)
      • Гибка листового металла
    Компания
    • О компании
    • Контакты
    • Новости
    • Сотрудники
    • Отзывы
    • Вакансии
    • Нам доверяют
    • Сертификаты
    • Прайс-листы
    • Как купить
      • Условия оплаты
      • Условия доставки
      • Гарантия на товар
    • Статьи
      • Хранение и перевозка АКП
      • Хранение металлопродукции
      • Рекомендации по обработке АКП
      • Рекомендации по обработке HPL
      • Ложная экономия
    • Реквизиты
    +  ЕЩЕ
      Сравнение0
      Избранные товары 0
      Корзина 0
      Сравнение0 Избранные товары 0 Корзина 0
      Телефоны
      +7 (495) 155-58-85по Москве
      +7 (909) 699-30-59Отдел продаж, бухгалтерия, снабжение
      Заказать звонок
      • Каталог
        • Назад
        • Каталог
        • Композитные панели Композитные панели
          • Назад
          • Композитные панели
          • Алюминиевые композитные панели
          • Стальные композитные панели
          • Медные композитные панели
          • Латунные композитные панели Латунные композитные панели
        • Металлокассеты Металлокассеты
          • Назад
          • Металлокассеты
          • Фасадные кассеты из оцинкованной стали
        • Профнастил Профнастил
          • Назад
          • Профнастил
          • Профлист С8
          • Профлист НС20
          • Профлист С21
          • Профлист НС35
        • Профиль и системы Профиль и системы
          • Назад
          • Профиль и системы
          • Профиль оцинкованный и комплектующие
          • Фасадные системы под композитные панели
          • Фасадные подсистемы
          • Алюминиевый профиль для соединения панелей 3 и 4 мм Алюминиевый профиль для соединения панелей 3 и 4 мм
          • Алюминиевые уголки
          • Алюминиевый Бокс
        • Кровельные материалы Кровельные материалы
          • Назад
          • Кровельные материалы
          • Металлошифер
          • Металлочерепица
          • Прозрачный шифер
        • Заборы и ограждения Заборы и ограждения
          • Назад
          • Заборы и ограждения
          • Газонные ограждения
          • Зеркальные заборы
        • Доборные фасонные элементы Доборные фасонные элементы
        • Плоский прокат Плоский прокат
          • Назад
          • Плоский прокат
          • Гладкие листы оцинкованный
          • Ленты оцинкованные (штрипс)
        • Листовые пластики Листовые пластики
          • Назад
          • Листовые пластики
          • Монолитный поликарбонат Монолитный поликарбонат
          • Сотовый поликарбонат Сотовый поликарбонат
          • Профилированный поликарбонат Профилированный поликарбонат
        • Каталоги RAL Каталоги RAL
        • Профили для гипсокартона Профили для гипсокартона
      • Торговые марки
      • Прайс-листы
      • Справочник
        • Назад
        • Справочник
        • Таблица RAL
        • Инструкции
        • Техническая документация
      • Объекты
        • Назад
        • Объекты
        • Наши объекты
          • Назад
          • Наши объекты
          • ТЦ Гравитация
          • Административно - производственное здание
          • Офисно-деловой центр
          • Автосалон HYUNDAI
          • Апарт-отель Adagio Le Rond Sochi
          • ГБУЗ МО «Королевская городская больница» филиал «Первомайский»
          • ГБУЗ МО «Королевская городская больница» филиал «Юбилейный»
          • Административное здание
      • Акции
      • Услуги
        • Назад
        • Услуги
        • Наши услуги
          • Назад
          • Наши услуги
          • Проектирование фасадов
          • Фрезеровка композита
          • Вальцевание композита и металла
          • Лазерная резка металла
          • Перфорация
          • Порошковая покраска
          • Монтаж вентилируемых фасадов
          • Широкоформатная УФ-печать на жестких листовых и рулонных материалах
          • Доставка фасадных и кровельных материалов
          • Фрезеровка фасадных кассет из алюминиевого композитного материала
          • Доставка без разгрузки: Москва в пределах ТТК-МКАД (а/м до 1,5т, кузов 4,2м)
          • Гибка листового металла
      • Компания
        • Назад
        • Компания
        • О компании
        • Контакты
        • Новости
        • Сотрудники
        • Отзывы
        • Вакансии
        • Нам доверяют
        • Сертификаты
        • Прайс-листы
        • Как купить
          • Назад
          • Как купить
          • Условия оплаты
          • Условия доставки
          • Гарантия на товар
        • Статьи
          • Назад
          • Статьи
          • Хранение и перевозка АКП
          • Хранение металлопродукции
          • Рекомендации по обработке АКП
          • Рекомендации по обработке HPL
          • Ложная экономия
        • Реквизиты
      • Москва
        • Назад
      • Личный кабинет
      • Корзина0
      • Избранные товары0
      • Сравнение товаров0
      • +7 (495) 155-58-85по Москве
        • Назад
        • Телефоны
        • +7 (495) 155-58-85по Москве
        • +7 (909) 699-30-59Отдел продаж, бухгалтерия, снабжение
        • Заказать звонок
      Контактная информация
      ул. Миклухо-Маклая, д. 18/1, пом. II, ком. 22, 23, эт. 3
      info@mosfasad.org
      • Вконтакте
      • Instagram
      • Telegram
      • Viber
      • Viber
      • WhatsApp

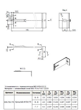
      Кронштейн опорный M 50х170 KDK-704.170 Doksal (KDK-117), без покрытия

      Главная
      —
      Каталог
      —
      Профиль и системы
      Композитные панелиМеталлокассетыПрофнастилКровельные материалыЗаборы и огражденияДоборные фасонные элементыПлоский прокатЛистовые пластикиКаталоги RALПрофили для гипсокартона
      —
      Фасадные подсистемы
      Профиль оцинкованный и комплектующиеФасадные системы под композитные панелиАлюминиевый профиль для соединения панелей 3 и 4 ммАлюминиевые уголкиАлюминиевый Бокс
      —
      Системы НВФ Doksal
      Кронштейны
      —Кронштейн опорный M 50х170 KDK-704.170 Doksal (KDK-117), без покрытия
      Кронштейн опорный M 50х170 KDK-704.170 Doksal (KDK-117), без покрытия
      Кронштейн опорный M 50х170 KDK-704.170 Doksal (KDK-117), без покрытия
      Кронштейн опорный M 50х170 KDK-704.170 Doksal (KDK-117), без покрытия
      Кронштейн опорный M 50х170 KDK-704.170 Doksal (KDK-117), без покрытия
      В избранное
      Сравнить
      Артикул: KDK-704.170
      Доксал
      172 ₽
      /шт
      Нашли дешевле?
      КупитьВ корзине
      Купить в 1 клик
      Рассчитать доставку
      Хочу в подарок
      Цены носят ознакомительный характер. Точную стоимость уточняйте у менеджера отдела продаж.
      • Описание
      • Характеристики
      • Отзывы
      • Как купить
      • Оплата
      • Доставка
      • Дополнительно
      Кронштейн опорный M 50х170 KDK-704.170 Doksal (KDK-117), без покрытия
      Материал
      Алюминий
      Покрытие
      Без покрытия
      Упаковка
      130 шт
      Категория
      Кронштейны LIGHT
      Вылет кронштейна, мм
      170
      Ширина кронштейна, мм
      50
      Высота кронштейна, мм
      70
      Тип кронштейна
      опорный
      Область применения
      Вентилируемый фасад
      Отзывы
      Оставить отзыв
      Загрузка отзывов...

      Для покупки товара в нашем интернет-магазине выберите понравившийся товар и добавьте его в корзину. Далее перейдите в Корзину и нажмите на «Оформить заказ» или «Быстрый заказ».

      Когда оформляете быстрый заказ, напишите ФИО, телефон и e-mail. Вам перезвонит менеджер и уточнит условия заказа. По результатам разговора вам придет подтверждение оформления товара на почту или через СМС. Оплачиваете заказ удобным вам способом. Теперь останется только ждать доставки и радоваться новой покупке.

      Оформление заказа в стандартном режиме выглядит следующим образом. Заполняете полностью форму по последовательным этапам: адрес, способ доставки, оплаты, данные о себе. Советуем в комментарии к заказу написать информацию, которая поможет курьеру вас найти. Нажмите кнопку «Оформить заказ». Перед оплатой заказа дождитесь уведомления о резервировании товара.

      Оплачивайте покупки удобным способом. 

      Мы работаем как с физическими лицами, так и с юридическими. Система налогообложения - с НДС.

      Порядок оплаты для юридических лиц и ИП:

      Безналичная форма оплаты. 

      • Оформляете заказ
      • С вами связывается наш менеджер для уточнения заказа
      • Вы получаете счет на оплату
      • Менеджер резервирует товар (по умолчанию резерв ставится на 1 рабочий день, по согласованию с менеджером резерв продлевается)
      • Оплату производите по счету банковским платежом.

      Порядок оплаты для физических лиц и самозанятых:

      Безналичная форма оплаты. 

      • Оформляете заказ
      • С вами связывается наш менеджер для уточнения заказа
      • Сообщаете менеджеру ФИО плательщика, а также адрес электронной почты для получения электронного чека
      • Получаете счет на оплату
      • Менеджер резервирует товар (по умолчанию резерв ставится на 1 рабочий день, по согласованию с менеджером резерв продлевается)
      • Оплату производите по счету переводом по реквизитам компании из мобильного приложения Вашего банка, либо отсканировав QR-код со счета.
      • После поступления денежных средств на расчетный счет, получаете электронный чек на почту.
      ВНИМАНИЕ! Мы работаем по 100% предоплате.

      Доставка по Москве и Московской области

      Мы чтим сроки, понимая к чему могут привести задержки в строительстве и на производстве. Поэтому у нас есть свой автопарк грузовых автомобилей, чтобы Вы не тратили время на поиски транспортных компаний, и материалы доставлялись на Ваш объект или на производство вовремя. Мы самостоятельно осуществляем доставку материалов по Москве и МО, при этом стоимость доставки гораздо ниже расценок наемных транспортных машин.

      Стоимость доставки оплачивается отдельно и всегда зависит от массы доставляемого груза, его размера и расстояния - указывается в документах отдельным пунктом.

      ВРЕМЯ ДОСТАВКИ: Доставка производится с Пн. по Сб. с 10:00 до 22:00 часов

      АДРЕС ДОСТАВКИ: Доставка производится по адресу, указанному при оформлении заказа.

      Доставка по России, Казахстану и Белоруссии

      Доставка материалов по России, а также в страны Белоруссии и Казахстана производится транспортными компаниями (ПЭК, Деловые Линии, Байкал Сервис и т.д.).

      Стоимость доставки складывается из стоимости забора транспортной компанией материала с нашего склада и стоимости доставки из Москвы до Вашего города, которая рассчитывается исходя из количества, объема и веса мест. Оплата услуг транспортной компании не входит в стоимость материала и оплачивается Вами отдельно напрямую ТК.    

      Доставка материалов МОСФАСАД по Москве и МО осуществляется собственными грузовыми автомобилями.

      Доксал
      Доксал
      Все товары категории
      Все товары бренда Доксал

      Нужна консультация?

      Наши специалисты ответят на любой интересующий вопрос
      Задать вопрос
      Каталог
      Торговые марки
      Прайс-листы
      Справочник
      Объекты
      Акции
      Услуги
      Компания
      О компании
      Контакты
      Новости
      Сотрудники
      Отзывы
      Вакансии
      Нам доверяют
      Сертификаты
      Прайс-листы
      Как купить
      Статьи
      Реквизиты
      Услуги
      Проектирование фасадов
      Фрезеровка композита
      Вальцевание композита и металла
      Лазерная резка металла
      Перфорация, пробивка листового металла
      Порошковая покраска
      Монтаж вентилируемых фасадов
      УФ печать на композитных панелях и металле
      Гибка листового металла
      Хранение и перевозка АКП
      Хранение металлопродукции
      Помощь
      Условия оплаты
      Условия доставки
      Гарантия и возврат
      Политика
      Публичная оферта
      Вопрос-ответ
      Карта
      Заказать смету
      Подписаться на рассылку
      +7 (495) 155-58-85
      +7 (495) 155-58-85по Москве
      +7 (909) 699-30-59Отдел продаж, бухгалтерия, снабжение
      Заказать звонок
      info@mosfasad.org
      ул. Миклухо-Маклая, д. 18/1, пом. II, ком. 22, 23, эт. 3
      • Вконтакте
      • Instagram
      • Telegram
      • Viber
      • Viber
      • WhatsApp
      2026 © МОСФАСАД Интернет-магазин кровельных и фасадных материалов
      Разработано в